Fire-Eye Filter
Fire-Eye Filter
FE150104ASSY100sm

Fire-Eye Filter

Part #: FE150104ASSY100

Fire-Eye filter complete with getter, magnets, and frame. 0.85" clear apature.

Price: $18,500.00

USEDRAWING

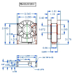
Fire-Eye Filter

Part #: FEASSY001200

Fire-Eye filter complete with magnets, frame and 3 getters.

Price: $24,600.00

FE201104ASSY100sm

Fire-Eye Filter

Part #: FE201104ASSY100

Fire-Eye filter complete with getter, magnets, and frame. 1.50" clear apature.

Price: $36,500.00