Auto Generated Gallery

Return to: WIDE-EYE.US - FIRE-EYE FILTER

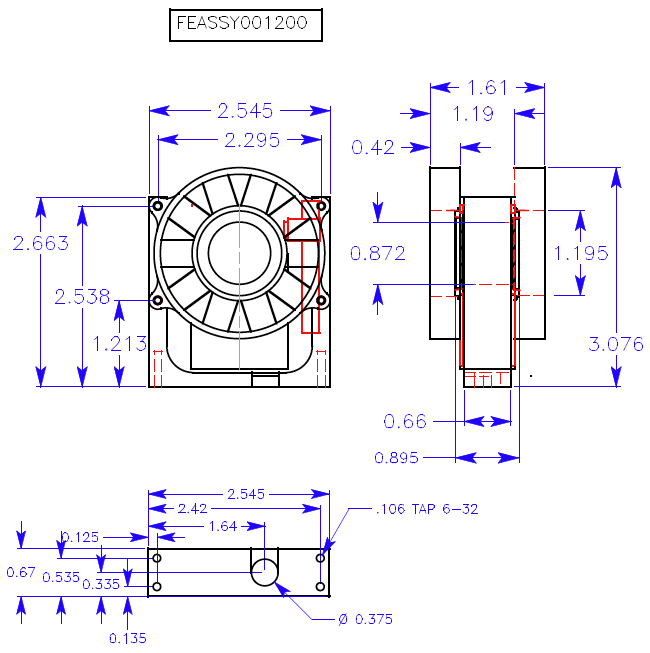
FEASSY001200


It appears you have Javascript disabled.
Please enable for a richer browsing experience.

Return to: WIDE-EYE.US - FIRE-EYE FILTER